SSR은 릴레와 같은 기능을 제공합니다. 즉, INPUT 측에 전압이 인가되면 접점을 붙이고 전압이 없으면 접점이 떨어지는 기능입니다. 기능은 같지만 릴레이와 다른 점은 접점이 반도체 소자로 만들어져 있다는 것입니다. 이것은 일반 릴레이의 물리적인 도체의 접촉 방식과 다른 것입니다.
목차
SSR의 특징
릴레이와 SSR의 가장 큰 차이점이라면 릴레이는 접점의 접촉 시 전기적인 스파크가 있고 물리적으로 수명이 있는 반면 SSR은 반도체 소자의 개폐로 물리적인 접촉이 없어서 반영구적인 수명과 빠른 스위칭이 가능하다는 것입니다. 그래서 SSR 은 빈번한 스위칭 작업에 적합한 장치입니다.
SSR을 사용하는 작업은 주로 히터의 온/오프 스위치로 사용됩니다.
전기제어에서 히터는 주로 특정한 범위를 일정한 온도로 유지시키기 위해 사용하는데, 온도를 유지시키기 위해 히터를 램프처럼 껐다 켰다 하는 온/오프 제어로 하는 것이 불가능합니다.
왜냐하면 히터가 설정된 온도를 넘었을 때 전원을 오프 시켜 차단하면 히터는 전원이 차단된 시점에서 온도상승이 멈추지 않습니다. 어느 정도 온도 상승이 있고 나서 그다음 온도가 떨어지기 시작하는데 온도가 떨어지는 도중에 설정된 온도보다 낮아지는 시점에서 전원이 ON 되어 히터의 가열이 시작됩니다. 하지만 온도는 바로 오르지 않고 잠시 떨어지다가 서서히 상승합니다.
이렇게 히터를 온/오프 제어로 하면 일정한 온도를 유지하기가 불가능합니다. 그래서 비례제어라는 것을 하는데요. 이 비례제어를 하기 위해서는 비례제어가 지원되는 온도컨트롤러(Temperature Controller)를 사용해야 하고 그리고 이번에 이야기할 SSR 이 필요하게 됩니다.
온도를 비례제어할 때 전원의 온/오프가 엄청나게 많이 스위칭이 됩니다. 릴레이의 빠른 반응 속도와 접촉자의 수명이 문제가 되는데 이런 조건에 알맞게 SSR이 설계되었습니다. 다만 주의점도 있는데요. 발열과 고전압에 주의해야 합니다.

SSR의 구조
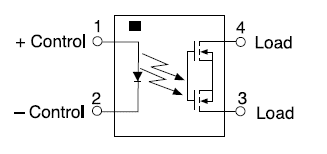
- SSR의 외형을 보면 전선이 연결되는 접점이 4개가 있습니다. INPUT 측에 2개, OUTPUT 측에 2개.
- SSR의 내부는 입력회로 - 구동회로 - 출력회로 이렇게 세 부분으로 구성됩니다.

- 입력 전압으로 AC 타입, DC 타입, AC/DC 겸용이 있습니다.
- DC 타입의 경우 전압의 +, - 극성이 있는 모델과 극성에 관계없이 사용할 수 있는 모델이 있습니다.
- SSR은 용량이 커질수록 발열이 심합니다. 따라서 용량이 큰 SSR의 경우 방열판이 일체형으로 붙어 있고, 쿨링팬이 같이 붙어 있게 됩니다.

SSR의 종류
무접점 릴레이의 종류는 입력과 출력의 방식에 따라 다양하게 나눌 수 있습니다.
- 입력이 DC 전압이고 출력이 AC 전압인 경우 AC SSR
- 입력과 출력 모두 DC 전압인 경우 DC SSR이라고 합니다.
또한 출력 회로에 사용되는 반도체 소자에 따라
- 트라이악 SSR
- MOSFET SSR
- IGBT SSR
등으로 구분할 수 있습니다.
또한 제로 크로싱 기능을 가진 SSR과 랜덤 턴온 기능을 가진 SSR도 있습니다.
**제로 크로싱 기능**
교류 전원의 제로 전압 근방에서 스위칭하여 잡음과 스파크를 줄여주는 기능입니다.
**랜덤 턴온 기능**
입력 신호가 들어오면 즉시 스위칭하여 부하의 동기화를 맞추거나 부하의 동작 시간을 조절하는 기능입니다.



SSR의 원리
- - 입력단의 전압을 인가하면 출력단의 접점이 붙고 전압을 해제하면 접점이 떨어집니다. 접점은 전자회로의 소자로 이루어집니다.
- - 제로 크로싱 : 전압이 인가될 때 AC 전압의 사인파의 0(제로) 점에서 접점이 ON 되는 기능입니다. 이 기능은 노이즈 방지의 대책으로 사용됩니다.

SSR 선정하기
SSR을 선정할 때 다음과 같은 사항을 확인합니다.
- - 부하 전압 확인하기
- - 부하 전류 확인하기 - 최대 전류 및 최소 전류
- - 부하 유형 - 저항성, 유도 성 또는 용량 성
- - 입력 제어 신호 확인하기 - AC 또는 DC
- - 장착 방법 - PCB, 직접 취부 또는 DIN 레일 장착
- - 주변 온도 - 경감 계수 및 방열판 크기 계산
SSR 설치 시 주의사항
- 고조파의 영향으로 SSR의 접점이 제대로 작동하지 않을 수 있습니다. 예를 들어 인버터 같이 주파수를 변화시키는 장치의 입력 신호용으로는 적합하지 않습니다.
- 유도성 전자기파에서 멀리 떨어져 있어야 합니다. 전자기파의 간섭은 안정적인 작동을 보장하지 못합니다.
- 5A 이상의 SSR은 방열판고 같은 발열에 대한 대책을 강구해야 합니다.
- 입력 전압을 맞추기 위해 저항을 입력단에 직렬 또는 병렬로 연결할 수 있습니다.
- 안정적인 입력 전압을 공급해야 합니다. 변동률 10% 이내 권장.
- 출력단에 고전압이 인가될 경우 SSR이 작동하지 않아도 누설 전류가 생길 수 있습니다.
자동제어란 무엇인가
자동제어란? 자동 제어는 사람이 하는 일을 전기적 기계적으로 자동화하는 것을 말합니다. 똑같은 작업을 계속해서 반복할 때 사람이 하는 일에는 실수가 있게 마련이고 체력적으로도 한계가
sohigeonmin.com
자동제어에 쓰이는 공구들
자동제어 작업을 하면서 사용하는 공구들이 수십 가지가 있는데 그중에서 가장 많이 사용하는 대표적인 몇 가지만 소개해 드리겠습니다. 아래에 소개해 드리는 공구들은 기본 공구라고도 할 수
sohigeonmin.com
자동제어 작업에 쓰이는 전선의 종류
자동제어 전기작업을 할 때 여러 가지 기초지식이 있어야 되지만 기본적으로 전선을 알아야 합니다. 비교적 많이 쓰는 전선은 KIV, VCTF, AWG 22~16 정도이고 1차 공사에서는 TFR-CV, TFR-GV, VCT, 또 인테
sohigeonmin.com
'전기와주변생활' 카테고리의 다른 글
| 용접기(Welding machine) 차단기 선정 방법 (0) | 2023.02.09 |
|---|---|
| 절연저항계 - 메가 테스터기가 일반 테스터기와 차이점 (0) | 2023.02.08 |
| 산업용 변압기와 110-220V 가정용 변압기 선택하는 방법 (0) | 2023.02.06 |
| 내게 맞는 어댑터 구입할 때 확인할 것 (0) | 2023.02.05 |
| 콘센트, 스위치 멀티 콘센트와 차단기 멀티 콘센트 (0) | 2023.02.05 |


댓글