저항회로의 직렬까지는 쉬웠는데 병렬회로 들어가면서 더 복잡해지기 시작합니다. 심지어 직렬과 병렬이 같이 있어요. 이런 직병렬 회로는 먼저 병렬저항을 직렬등가저항으로 바꾸고 회로의 저항을 모두 직렬 상태로 만든다음 계산하게 됩니다.
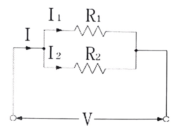
병렬회로

저항이 회로에 병렬로 걸려있습니다. 저항에 걸리는 전압은 같고 전류는 저항에 반비례하여 분배합니다.
여기서 전류 I 는 KCL과 옴의 법칙으로 다음과 같이 정리됩니다.

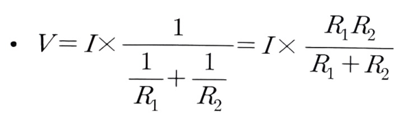
전압 V 는 다음과 같이 정리됩니다.

전체 저항 R0 이라고 하면 다음과 같이 정리됩니다.

다시 한번 전체 전압을 정리하면

이상이 병렬회로에서 전류, 전압, 저항을 구하는 식 입니다. 다음은 직병렬 회로입니다.
직병렬회로
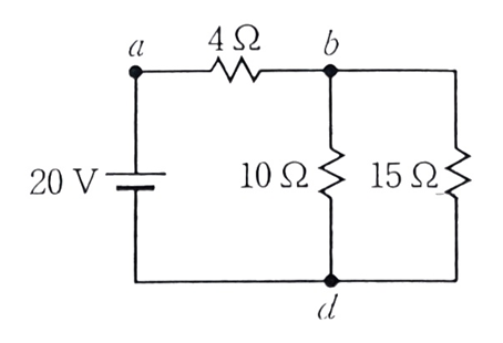
저항이 직렬과 병렬로 연결되어 있습니다. 여기서 각각의 저항에 흐르는 전류를 구해보겠습니다. 우선 병렬저항을 먼저 해결해야 합니다.

위 그림에서 병렬 저항인 10옴과 15옴을 합쳐 등가저항을 만듭니다.
병렬회로의 합성등가저항의 식에 대입하면
R = R1*R2 / R1+R2 = 10*15 / (10+15) = 6Ω
합성저항이 6옴 이기 때문에 아래 그림과 같이 직렬회로와 같습니다.

직렬회로의 전류는 일정하고 저항은 그냥 더하면 된다고 했습니다.
옴의 법칙 I=V/R 을 이용해서 전체전류 I=20/(4+6)=2A 입니다.
각각의 저항에 걸리는 전압은 옴의 법칙 V=IR 을 이용해서
Vab=2*4=8V
Vbd=2*6=12V 입니다.
병렬회로의 전압은 일정하고 전류는 저항에 반비례하여 분배한다고 했습니다.
다시 기본 직병렬회로 돌아가서 10옴과 15옴에 걸리는 전압은 합성저항으로 구한 12V전압과 같습니다.
옴의 법칙을 이용하여 각각의 저항에 흐르는 전류를 구할 수 있습니다.
4옴에 흐르는 전류 = 8/4 = 2A, 전압 = 8V
10옴에 흐르는 전류 = 12/10 = 1.2A, 전압 = 12V
15옴에 흐르는 전류 = 12/15 = 0.8A, 전압 = 12V
마무리
이상으로 직병렬회로까지 설명을 마치겠습니다. 여기까지는 직류회로 였습니다. 교류회로에서는 또 다른 개념이 등장합니다. 인덕턴스, 임피던스, 캐패시턴스 입니다.
아래 링크는 전기 이론 관련 글입니다.
'전기와주변생활' 카테고리의 다른 글
| 전봇대 트랜스 주상 변압기 안에 들어 있는 것 (0) | 2023.01.02 |
|---|---|
| 트랜스 코일이 쇼트나지 않는 이유 (0) | 2023.01.01 |
| 전기자동제어 도면 표기 심볼 참조 (0) | 2022.12.23 |
| 자동제어 노이즈원인 노이즈필터 종류 대책 (5) | 2022.12.22 |
| 전기 컨트롤 박스 재질 STS, SUS, SS (0) | 2022.12.16 |
댓글