결상이란 삼상 전원회로의 이상 상태를 나타내는 매우 중요한 요소입니다. 결상이 생기면 모터는 움직이지 않고 열이 나다가 코일이 타버립니다. 이걸 방지하려면 결상 체크 기능이 있는 릴레이나 EOCR 을 사용하세요.


2CT 제품일 경우 R, T 상만 결상 검출이 가능합니다.
전류결상
전류결상이란 삼상 전원 회로에서 한 상이나 두 상이 끊어지는 현상을 말합니다. 이때 남은 상의 전류는 정상적인 값보다 증가하고, 전압은 감소하게 됩니다. 이로 인해 모터나 트랜스포머 등의 장비에 과부하나 과열이 발생할 수 있습니다. 전류결상을 검출하고 보호하기 위해 결상보호 릴레이를 사용하거나 결상 기능이 있는 EOCR 을 사용하세요.
전압결상
전압결상이란 삼상 전원 회로에서 한 상이나 두 상의 전압이 정상적인 값보다 낮아지는 현상을 말합니다. 이때 남은 상의 전압은 정상적인 값보다 증가하게 됩니다. 이로 인해 모터나 트랜스포머 등의 장비에 과전압이나 역전류가 발생할 수 있습니다.
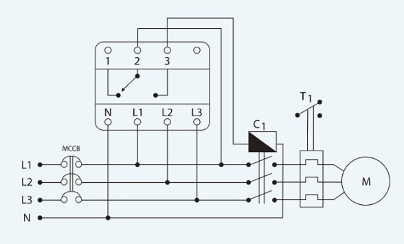
결상보호 릴레이
공장에서 기계를 돌리다 보면 가끔 전선에서 열이 나는 일이 있습니다. 뭔가 과부하나 과전류가 있는 것인데, 기계를 보호하기 위해 '열동 계전기' 같은 열을 감지하는 장치를 사용합니다.
이 장치는 전선에 흐르는 전류가 너무 많으면 그 열을 감지해 기계를 멈추게 해주는 기능인데요. 하지만 측정 범위가 너무 넓어 과부하, 과전류로 이상이 생기기 전에 미리 알아채기가 어렵고, 기계를 멈추는데도 시간이 좀 걸리죠.
그래서 "결상 보호 릴레이"라는 새로운 장치가 만들어졌습니다. 이 장치는 전선이나 모터에 열이 발생하기 전에 이상을 감지하고 기계를 바로 멈추게 해줍니다.


아래 링크로 가시면 여러가지 결상 릴레이를 보실 수 있습니다.
과전류 계전기(EOCR : Electric Over Current Relay) 기능과 사용방법 모터제어
과전류 계전기란 말 그대로 과한 전류가 흘렀을 때 동작하는 계전기(릴레이)라는 뜻입니다. 주로 모터를 보호할 목적으로 설치합니다. 여기서는 과전류 계전기(EOCR)의 기능과 사용방법에 대해서
sohigeonmin.com
'전기와주변생활' 카테고리의 다른 글
| EOCR의 구속보호 기능 (0) | 2023.06.15 |
|---|---|
| 전류 불평형 전압 불평형 (0) | 2023.06.15 |
| 전기공사 배선방식의 종류 (0) | 2023.06.15 |
| NPT 를 밀리미터로 환산표 (0) | 2023.06.13 |
| 전기절연유의 특성 (0) | 2023.06.13 |
댓글