서지 프로텍터란 서지로부터 보호한다는 뜻인데 Surge 란 무엇인가요? 순간적인 이상 전압입니다. 서지 억제기로도 알려진 서지 보호기는 손상을 일으키거나 정상적인 작동을 방해할 수 있는 전압 스파크 및 서지로부터 전기 장치를 보호하도록 설계된 장치입니다.

서지 보호의 기본 원리
순간적으로 전류가 너무 많이 흐르게 되면 전기를 사용하는 장치들을 못쓰게 됩니다. 과전류로 내부 회로가 모두 타버려요. 그래서 순간적인 과전류를 땅으로 흘려버리는 것입니다.
순간적으로 과전류가 되는 이유는 천둥번개 때문이거나 불안정한 전압 때문에 그렇습니다. 전기가 끊겼다가 다시 들어오거나 전기가 이상하게 흘러도 문제가 생겨요.
이런 문제로 인해 컴퓨터나 티비 같은 기계가 고장나거나 데이터가 사라지거나 할 수 있습니다.


서지보호기의 주요 부품
서지 보호기의 작동 방식을 이해하려면 먼저 제품을 구성하는 기본 전기 부품을 이해합시다. 대부분의 서지 보호기에는 다음과 같은 몇 가지 주요 구성 요소가 포함되어 있습니다.
- 가변저항소자 - Metal oxide varistors (MOVs)
- 캐패시터
- 인덕터
- 제너다이오드
가변저항소자(MOV)
가변저항소자 - Metal oxide varistors (MOVs)는 전압이 증가하면 저항이 감소하는 특성을 가진 전자 부품입니다. 즉, 전압이 일정 수준 이상으로 올라가면 전류를 흘려보내서 과전압을 방지하는 역할을 합니다.

예를 들어, 번개나 정전 등으로 인해 전기가 갑자기 많이 들어오면 MOVs가 그 전기를 땅으로 보내서 다른 부품들이 손상되지 않게 해줍니다.
MOVs는 금속 산화물로 만들어진 원판 모양의 부품입니다. 원판의 양쪽에 전극이 붙어 있고, 그 사이에는 여러 종류의 금속 산화물로 이루어진 박막이 있습니다.
이 박막은 일정한 전압 이하에서는 절연체처럼 작용하고, 일정한 전압 이상에서는 도체처럼 작용합니다. 이렇게 저항이 전압에 따라 변하는 원리를 변성저항이라고 합니다.
MOVs는 다양한 응용 분야에서 고 서지 과전압 보호 기능이 있습니다. 예를 들어, 전원 공급 장치, 가정용 전자기기, 산업용 장비, 통신 또는 전화 시스템, LED 조명 등에서 사용됩니다.
MOVs는 작동 전압과 서지 전류에 따라 다른 크기와 모양으로 제작이 되고 있습니다. MOVs는 표면 실장 (SMD) 방식으로 회로 위에 부착할 수 있습니다.
MOVs는 서지 보호기의 기본 구성 요소이며 과도한 전압을 접지로 전환하는 역할을 합니다. MOV는 기본적으로 MOV에 적용된 전압에 따라 저항을 변경하는 저항기입니다.
MOV에 적용되는 전압이 특정 임계값을 초과하면 MOV가 전류를 전도하기 시작하여 초과 전압을 접지로 보내기 시작합니다.
캐패시터
커패시터는 전기 에너지를 저장하고 짧은 기간의 작은 전력 서지를 흡수합니다.
캐패시턴스: 캐패시터 / 콘덴서 / 베터리 다 같은말 아닌가요?
안녕하세요. 대천사의집입니다. 전기, 전자에서 캐패시터와 콘덴서는 같은 말입니다. 전기를 저장했다가 방전하는 장치로 이것은 배터리와 같은데요. 그러면 이 세 단어 다 같은 말이냐 하면,
sohigeonmin.com
인덕터
인덕터는 전기 에너지를 자기 에너지로 변환 및 저장하고 다시 자기 에너지를 전기 에너지로 변환하여 전류 및 전압의 급격한 변화를 억제하여 전기 장치에 공급되는 전압을 제한하는 데 사용합니다.
인덕턴스: 우리집 인덕션이 냄비를 뜨겁게 하는 원리
인덕터는 코일이고 인덕턴스는 코일 주변의 자기장입니다. 코일에 전기가 흐르면 그 주변에 자기장이 생기게 되는데, 이것을 인덕턴스라고 해요. 인덕턴스는 전기의 흐름을 방해하는 방향으로
sohigeonmin.com
다이오드
다이오드는 역전류 흐름을 방지하고 정전으로부터 보호하는 데 사용됩니다.
교류가 직류로 바뀌는 원리
AC(교류)를 DC(직류)로 바꾸는 원리. 우선 교류란 시간에 따라 크기와 방향이 주기적으로 변하는 전류이고 직류는 항상 일정한 값을 유지하는 전류라고 이해하시면 됩니다. 이러한 교류를 직류로
sohigeonmin.com
그 외의 것들
이러한 구성 요소 외에도 서지 보호기에는 서지 보호기가 흡수할 수 있는 정격 있습니다. 정격의 등급이 높을수록 서지 보호기가 고장나기 전에 더 많은 에너지를 흡수할 수 있고 연결된 장치를 보호할 수 있는 범위가 커집니다.
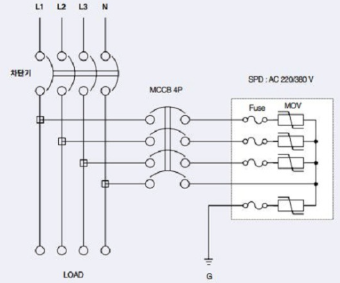
메인 컨트롤 패널(MCP)에 서지 프로텍터를 설치하는 방법

**서지 프로텍터의 연결은 전압 타입 / 전류 타입에 따라 결선 방법이 달라지므로 반드시 동봉되어 있는 설명서를 확인하세요.
용어정리
- SPD 형식: 타입 Ⅰ, 타입 Ⅱ, 타입 Ⅲ 등으로 구분되며, 설비 인입구나 간선 및 분기회로, 부하기기 등에 설치되는 써지보호기의 종류를 나타냅니다.
- 임펄스 전류: 써지보호기가 견딜 수 있는 최대의 전류 파고치를 나타내며, Iimp, Imax 등으로 표시됩니다. 단위는 kA입니다.
- 공칭 방전전류: 써지보호기가 반복적으로 흘려줄 수 있는 전류 파고치를 나타내며, In으로 표시됩니다. 단위는 kA입니다.
- 임펄스 전압: 써지보호기에 인가되는 최대의 전압 파고치를 나타내며, Uoc으로 표시됩니다. 단위는 kV입니다.
- 최대 연속사용전압: 써지보호기에 연속적으로 인가할 수 있는 최대의 전압을 나타내며, Uc로 표시됩니다. 단위는 V입니다.
- 전압보호레벨: 써지보호기에 공칭 방전전류를 흘렸을 때 써지보호기 양단에 나타나는 최대의 전압을 나타내며, Up으로 표시됩니다. 단위는 kV입니다.
예를 들어, 타입 Ⅱ SPD 20kA 8/20㎲ Uoc 10kV Uc 275V Up 1.5kV 라는 심볼은 타입 Ⅱ 써지보호기로서, 8/20㎲ 파형의 최대 방전전류가 20kA이고, 임펄스 전압이 10kV이며, 최대 연속사용전압이 275V이고, 전압보호레벨이 1.5kV라는 의미입니다.
'전기와주변생활' 카테고리의 다른 글
| 전자파 - 전자기파 - 전자기장의 의미와 종류, 피해 및 차단방법 (0) | 2023.02.03 |
|---|---|
| 전주 - 전봇대의 구조 (0) | 2023.02.02 |
| 자동제어에 쓰이는 공구들 (0) | 2023.01.31 |
| 자동제어란 무엇인가 (0) | 2023.01.31 |
| 전기 히터 24시간 타이머 사용 방법 (0) | 2023.01.26 |


댓글